加入購物車成功!
- 產品名稱:LZ系列金屬轉子流量計
- 產品型號:LZ系列
- 生產廠家:上海天康儀表有限公司
- 產品特點:LZ系列金屬轉子流量計分就地指示型和智能遠傳型,具有指針顯示瞬時流量,液晶顯示瞬時、累計流量,標準4~20mA電流輸出,上、下限報警,HART協議輸出等多種功能,為不同的用戶提供了廣闊的選擇空間。
- ?
LZ系列金屬轉子流量計LZ系列的產品詳細介紹:
一、產品概述
金屬轉子流量計是工業自動化過程控制中常用的一種變面積流量測量儀表,具有體積小、檢測范圍大、使用方便的特點。可用于檢測各類液體、氣體的流量,特別適用于低流速、小流量的介質流量的測量。
金屬轉子流量計由測量管、浮子和指示器組成。浮子在測量管中自由的上下移動,改變管道中的流通面積。隨著流量大小的變化,浮子在測量管中的垂直位置也發生相應的變化,通過磁性的傳遞系統將浮子位置準確傳遞到指示器的刻度盤上,指示流量值的變化。
LZ系列金屬轉子流量計分就地指示型和智能遠傳型,具有指針顯示瞬時流量,液晶顯示瞬時、累計流量,標準4~20mA電流輸出,上、下限報警,HART協議輸出等多種功能,為不同的用戶提供了廣闊的選擇空間。
二、主要特點
●工作可靠,維護量少,使用壽命長
●1:10的較寬的量程比
●全金屬結構,堅固穩定,適合高溫、高壓、強腐蝕性介質
●防爆設計結構適合易燃、易爆危險場合
●新型磁耦合傳感器保證信號傳輸穩定可靠
●適合低流速小流量的介質流量的測量
●可加裝磁過濾器
●智能型可選現場瞬時和累積流量顯不
●可選二線制、電池供電方式
●可帶保溫、夾套設計
三、技術參數

四、分類與命名
LZ— | 金屬管浮子流量計 | 備注 | |||||||||
Z | 基本型指示器 | 指示器 | |||||||||
D | 遠傳型指示器 | ||||||||||
-15 | DN15 | 公稱 通徑 | |||||||||
-25 | DN25 | ||||||||||
-40 | DN40 | ||||||||||
-50 | DN50 | ||||||||||
-80 | DN80 | ||||||||||
-100 | DN100 | ||||||||||
-150 | DN150 | ||||||||||
/ | 下進上出 | 結構 形式 | |||||||||
H1 | 左進右出 | ||||||||||
H2 | 右進左出 | ||||||||||
AA | 側進側出 | ||||||||||
LA | 底進側出 | ||||||||||
S | 螺紋連接 | ||||||||||
M | 快速接頭連接 | ||||||||||
R1 | 321不銹鋼 | 本體 材質 | |||||||||
R4 | 304不銹鋼 | ||||||||||
R6 | 316不銹鋼 | ||||||||||
R6L | 316L不銹鋼 | ||||||||||
Hc4 | 哈C合金 | ||||||||||
Ti | 鈦 | ||||||||||
F | 內襯F46(PTFE) | ||||||||||
M7 | 線性指示器 | 指示器 類型 | |||||||||
M9 | 非線性指示器(就地指針顯示瞬時流量) | ||||||||||
ESK | 24VDC;遠傳4-20mA標準電流信號 | 組合 功能 | |||||||||
ESK-Z | 24VDC;遠傳4-20mA;現場LCD顯示瞬時及累計流量 | ||||||||||
ESK-D | 現場鋰電池供電;LCD顯示瞬時及累計流量 | ||||||||||
K1 | 帶一上線報警點信號 | ||||||||||
K2 | 帶下上線報警點信號 | ||||||||||
K12 | 帶一上線和一下線報警點信號 | ||||||||||
Ex | 本安防爆 | 防爆 類型 | |||||||||
Exd | 隔爆 | ||||||||||
L | 液體 | 測量介 質分類 | |||||||||
G | 氣體 | ||||||||||
T | 測量管帶有保溫/隔熱夾套 | 增加 功能 | |||||||||
HT | 測量介質溫度大于120°高溫 | ||||||||||
五.測量范圍(金屬轉子流量計)
| 通徑 (mm) | 流量范圍 | ***大壓力損失(kPa) | 精度 | ||||
水L/h | 空氣m3/h | ||||||
普通型 | 防腐型 | 普通型 | 防腐型 | 水 | 氣體 | ||
15 | 2.5~25 | 2.5~25 | 0.07~0.7 | 0.07~0.7 | 6.5 | 7.1 | 2.5 |
4.0~40 | 4.0~40 | 0.11~1.1 | 0.11~1.1 | 7.2 | |||
6.3~63 | 6.3~63 | 0.18~1.8 | 18~1.8 | 6.6 | 7.3 | ||
10~100 | 10~100 | 0.28~2.8 | 0.28~2.8 | 7.5 | |||
16~160 | 16~160 | 0.4~4.0 | 0.4~4.0 | 6.8 | 8.0 | ||
25~250 | 25~250 | 0.7~7.0 | 0.7~7.0 | 7.2 | 10.8 | ||
40~400 | 40~400 | 1.0~10 | 1.0~10 | 8.6 | 10.0 | ||
63~630 | ———— | 1.6~16 | ———— | 11.1 | 14.0 | ||
25 | 100~1000 | 63~630 | 3.0~30 | 1.6~16 | 7.0 | 7.7 | |
160~1600 | 100~1000 | 4.5~45 | 3.0~30 | 8.0 | 8.8 | ||
250~2500 | 160~1600 | 7.0~70 | 4.5~45 | 10.8 | 12.0 | ||
400~4000 | 250~2500 | 11~110 | 7.0~70 | 15.8 | 19.0 | ||
50 | 630~6300 | 400~4000 | 18~180 | 11~110 | 8.1 | 8.6 | |
1000~10000 | 630~6300 | 25~250 | 18~180 | 11.0 | 10.4 | ||
1600~16000 | 1000~10000 | 40~400 | 25~250 | 17.0 | 15.5 | ||
80 | 2500~25000 | 1600~16000 | 60~600 | 40~400 | 8.1 | 8.0 | |
4000~40000 | 2500~25000 | 100~1000 | 60~600 | 9.5 | 13.0 | ||
100 | 6300~63000 | 4000~40000 | 200~2000 | 100~1000 | 10.0 | 11.0 | |
10000~100000 | ———— | 300~3000 | ———— | ||||
注1:可根據要求加工表中未列的測量范圍的流量計
注2:特殊標定為1.5級
注3:特殊規格可定做
六、連接方式

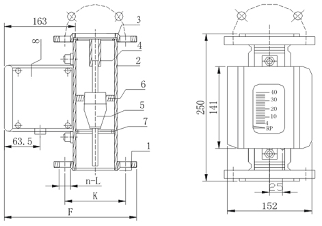
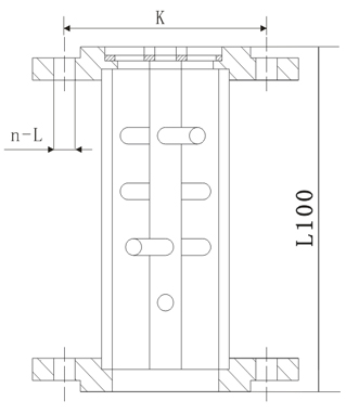
七、安裝尺寸







八、報警開關
電遠傳信號技術參數與接線
預值報警開關傳感器
B1、B2、B3、B4指示器可以安裝1或2個預值報警開關傳感器。

二線制開關需要連接WE77晶體管放大器或相當產品才能輸出開關信號。
三線制開關需要10—30VDC的電壓供電,通過內置信號放大器輸出開關信號,與PLC直接應用。
九、電氣接線圖

十、磁過濾器尺寸表















